Boccola passacavo/fissacavo 5.1mm - nero
Questi serracavo a Boccola sono realizzati in materiale di nylon, per assorbire le forze di trazione e spinta e torsione esercitata sui cavi.
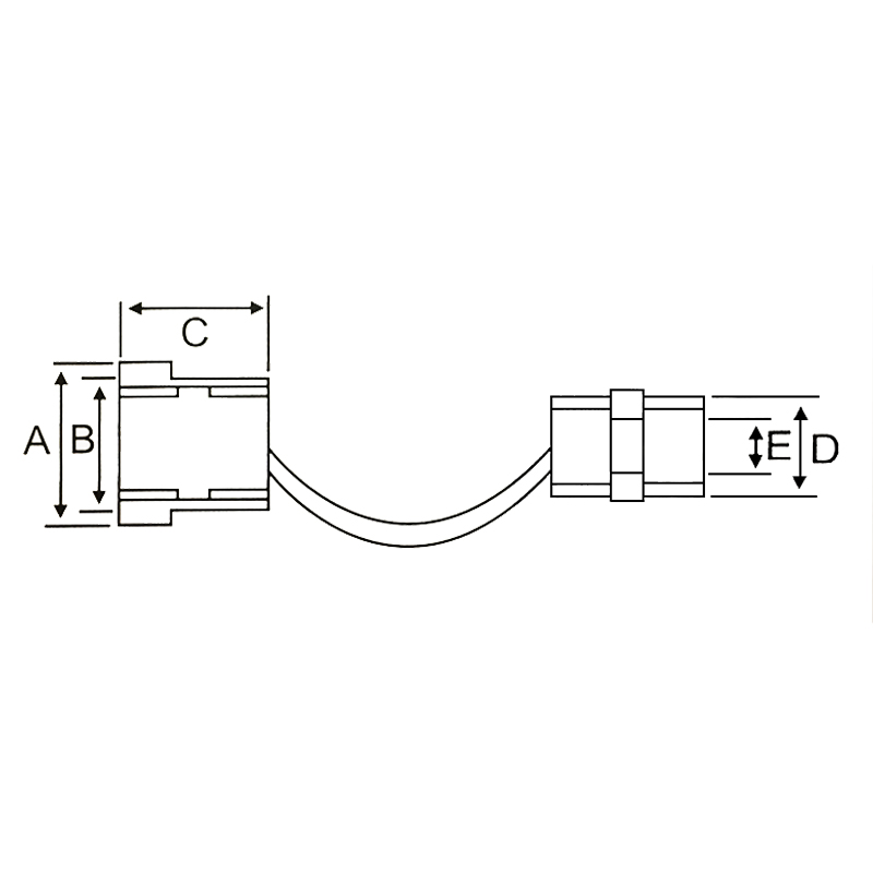
Sigla: CB-A8
Dimensioni (mm):
A: 12.8
B: 10.5
C: 11.8
D: 7.7
E: 5.1


