Boccola passacavo/fissacavo 5.5mm - nero
Questi serracavo a Boccola sono realizzati in materiale di nylon, per assorbire le forze di trazione e spinta e torsione esercitata sui cavi.
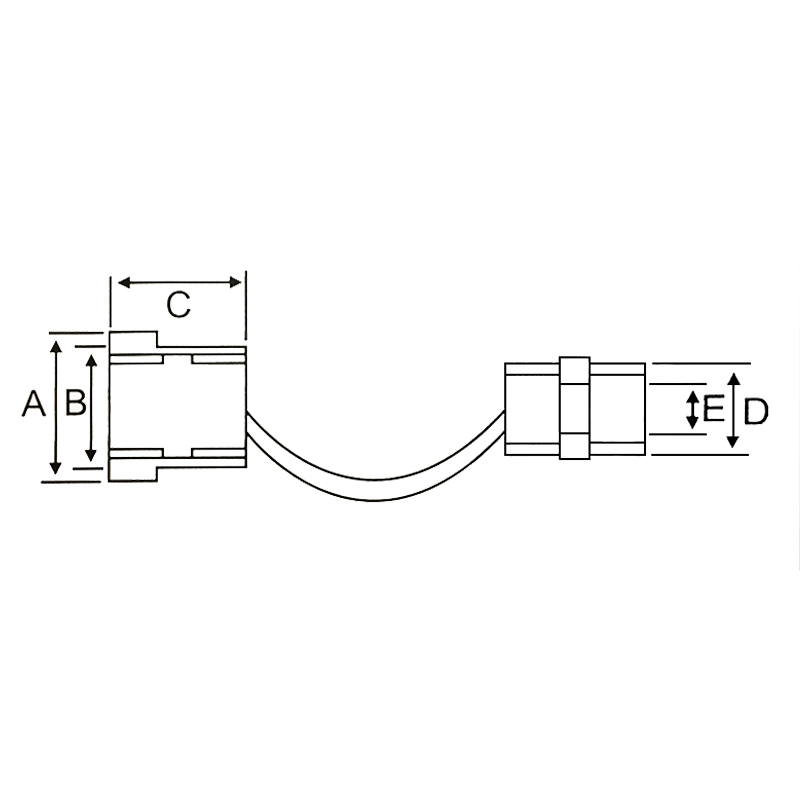
Sigla: CB-5P-4
Dimensioni (mm):
A: 13.3
B: 11
C: 11.2
D: 6.8
E: 5.5


