Boccola passacavo/fissacavo 6.2mm - nero
Questi serracavo a Boccola sono realizzati in materiale di nylon, per assorbire le forze di trazione e spinta e torsione esercitata sui cavi.
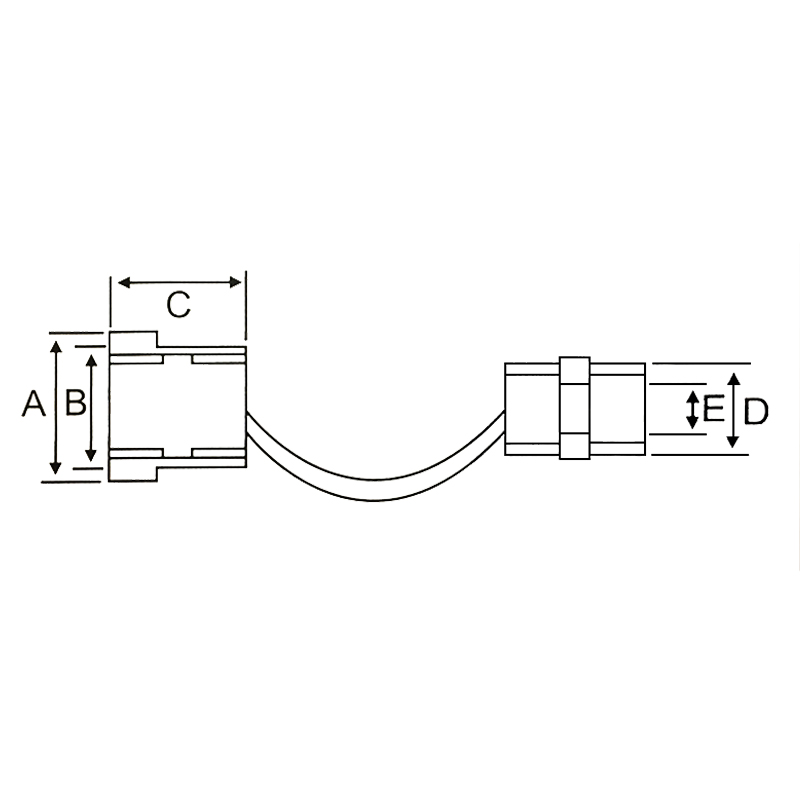
Sigla: CB-A5B
Dimensioni (mm):
A: 14.3
B: 12.4
C: 14
D: 8.2
E: 6.2

Questi serracavo a Boccola sono realizzati in materiale di nylon, per assorbire le forze di trazione e spinta e torsione esercitata sui cavi.
Sigla: CB-A5B
Dimensioni (mm):
A: 14.3
B: 12.4
C: 14
D: 8.2
E: 6.2

Spediamo in tutta Italia
I nostri prodotti sono prodotti di ottima qualità
I nostri prodotti sono coperti da garanzia