Boccola passacavo/fissacavo 6.7mm - nero
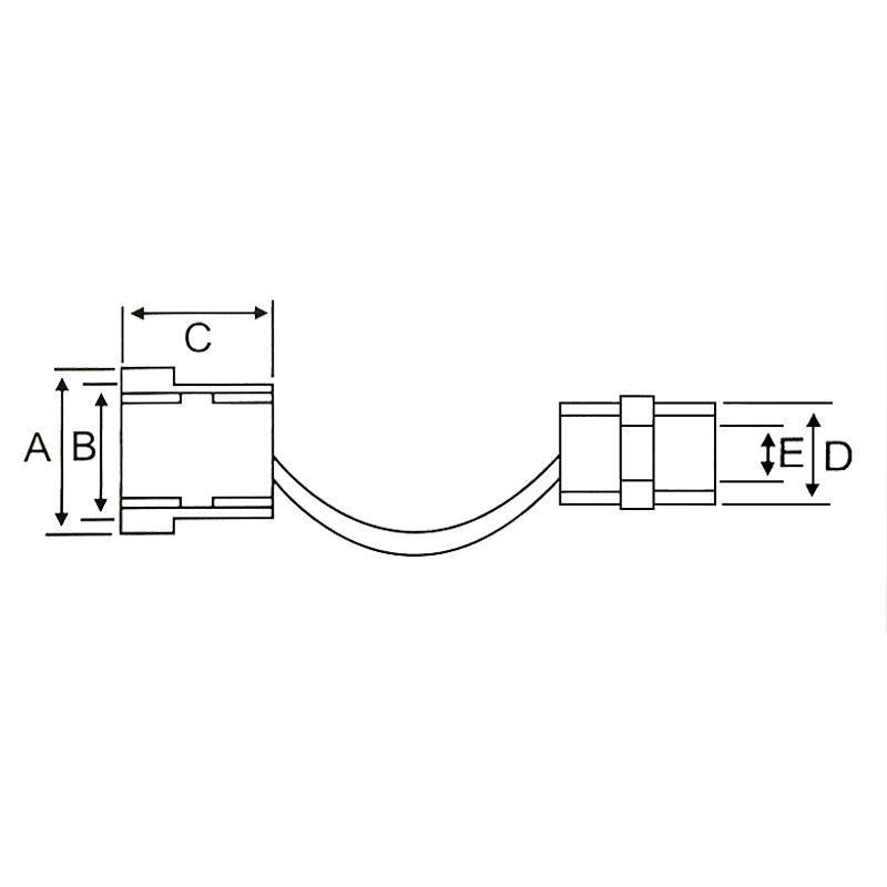
Questi serracavo a Boccola sono realizzati in materiale di nylon, per assorbire le forze di trazione e spinta e torsione esercitata sui cavi.
Sigla: CB-A5C
Dimensioni (mm):
A: 16
B: 13.3
C: 14
D: 8.2
E: 6.7

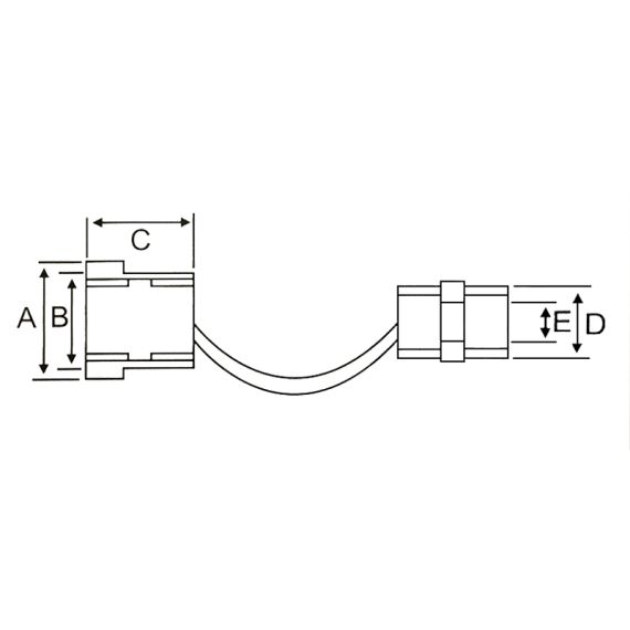
Questi serracavo a Boccola sono realizzati in materiale di nylon, per assorbire le forze di trazione e spinta e torsione esercitata sui cavi.
Sigla: CB-A5C
Dimensioni (mm):
A: 16
B: 13.3
C: 14
D: 8.2
E: 6.7

Spediamo in tutta Italia
I nostri prodotti sono prodotti di ottima qualità
I nostri prodotti sono coperti da garanzia