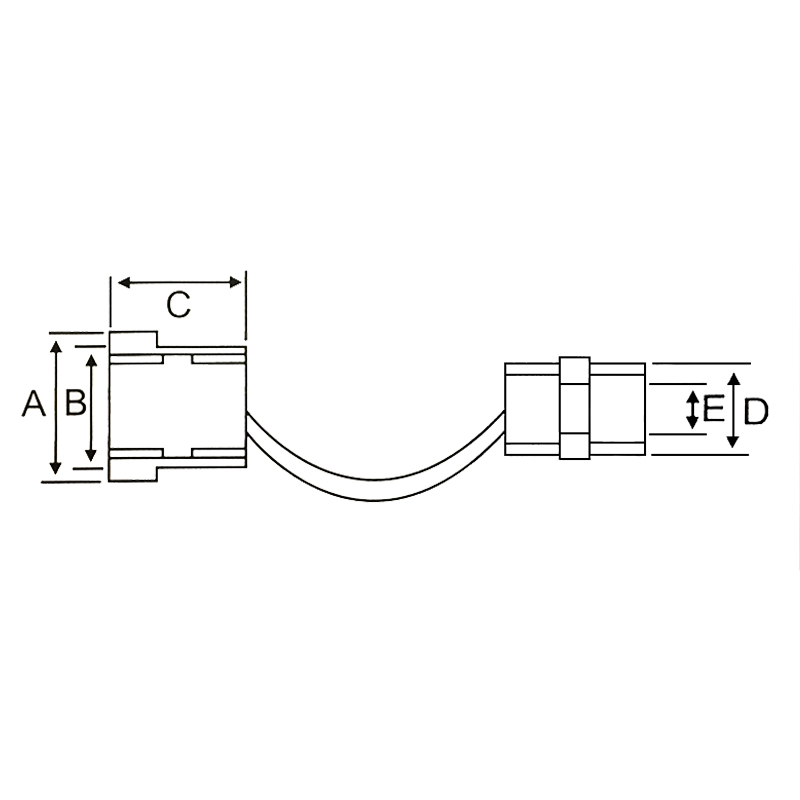
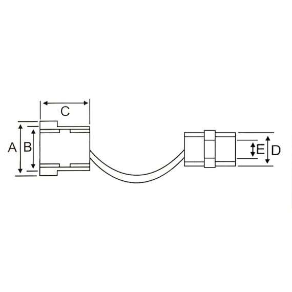
Boccola passacavo/fissacavo 7.3mm - nero
Questi serracavo a Boccola sono realizzati in materiale di nylon, per assorbire le forze di trazione e spinta e torsione esercitata sui cavi.
Sigla: CB-A7 Flat
Dimensioni (mm):
A: 13.2
B: 11.3
C: 10.3
D: 8.2
E: 7.3

