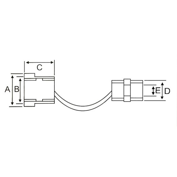
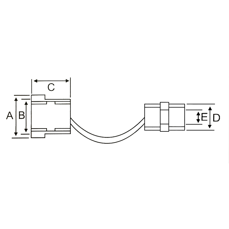
Boccola passacavo/fissacavo 7.7mm - nero
Questi serracavo a Boccola sono realizzati in materiale di nylon, per assorbire le forze di trazione e spinta e torsione esercitata sui cavi.
Sigla: CB-6P-4

Dimensioni (mm)
- A: 16.8
- B: 13.7
- C: 14.7
- D: 8.7
- E: 7.7

